Блиц-советы
Перед рыбалкой необходимо узнать, какое дно имеет водоем, чтобы полностью определиться с выбором якоря;
Необходимо знать глубину водоема для правильной покупки троса;
Надежнее конструировать якорь самому, но если нет такой возможности, то опираться на отзывы предыдущих покупателей;
Нужно отнестись к покупке якоря очень серьезно;
Очень важно не утопить драгоценный якорь, использовать только самые надежные виды узлов.
При сильном течении целесообразно будет применение двух якорей, для лучшей фиксации.
Также якорь можно усилить цепью для лучшей фиксации и сцепления с грунтом.
Также необходимо правильно закидывать якорь в воду под правильным углом.
Якорь: виды, выбор подходящего для лодок/малых судов, нюансы, изготовление самостоятельно
Сделать якорь своими руками владельцев малых плавсредств побуждает не только достаточно высокая цена фабричных якорей. Стандартные якоря выпускаются массой от 5 кг, что для лодки водоизмещением до 500 кг многовато. Особенно, если выходят на ней в закрытую спокойную акваторию (пруд, небольшое озеро, реку). Места в посудине один только якорь занимает немало, и в крохотной лодчонке, такой, напр., как популярная вследствие своих высоких качеств лодка динги или скиф, держать неоправданно большой якорь неудобно. Но и становиться вместо надежного якоря на что попало нельзя.
Джозеф Конрад недаром назвал якоря «честными кусками железа»: пренебрежение надежностью якоря может стоить жизни судоводителю и пассажирам даже у самого берега. Самодельный якорь должен держать судно так же крепко, как патентованный фирменный, и теряться в грунте не чаще него. Надежность сверхлегких якорей из имеющихся в продаже не гарантирована. Фирменным сертификатам не верьте: никакой морской или речной регистр не включит в свой реестр якорь массой менее 5 кг. Запрещено международными правилами безопасности судовождения. А они, как и армейские уставы, написаны человеческими жизнями.
Рыбацкая лодка на якоре. Карикатура
Настоящий клубок проблем представляет якорь для лодки ПВХ. Во-первых, якорь лишь часть якорного устройства, состоящего из нескольких конструктивных узлов. Каждый из них по главному правилу сопромата «Где тонко, там и рвется» должен быть надежен не менее самого якоря. Разместить все это в надувной лодке просто негде. Во-вторых, когда надувные лодки бюджетной ценовой категории начали делать не из авторезины или прорезиненной ткани, а из пластика, оказалось, что и поднятый якорь в такой лодке может быть опасен – число несчастных случаев на воде, вызванных порывом баллона или днища лодки якорем, резко возросло.
Цель настоящей статьи – помочь начинающему судоводителю решить задачи выбора прототипа якоря для своего судна и рассказать, как правильно сделать якорь сообразно типу конструкции судна, его водоизмещению и условиям плавания. Существенная часть материала посвящена выбору и особенностям изготовления якорей для «сверхмалых» судов (до 0,5 т), эксплуатируемых на внутренних водоемах. Дно в них часто топкое, илистое или торфянистое; на таком трудно как обеспечить должную держащую силу якоря, так и не дать ему утонуть в грунте.
Примечание: у всех надувных лодок есть еще одно отличие от нормально водоизмещающих судов – очень малое сопротивление трения о воду. Надувная лодка цепляется за воду слабее, чем глиссер. С одной стороны, это хорошо для тихой воды, поскольку удержать лодку на течении легче. Но на волнении, наоборот, труднее, т.к. лодка-поплавок сильно дергает якорный канат. И встать на якорь надувной лодке тоже труднее: ему нельзя полагаться на то, что судно его потянет, уложит как надо на грунт и поможет за него зацепиться. Тут якорь для надувной лодки должен полагаться только на себя: сам укладываться правильно без рывка со стороны судна и обладать абсолютной цепкостью (см. далее).
Самодельные якоря для лодок ПВХ, примеры изготовления
Итак, водоём, погодные условия и особенности предстоящей рыбалки определены, известен характер дна. Определён тип якоря, конструкция разработана (лучше всего раздобыть или самому сделать чертёж, можно скачать его из интернета), рассчитана масса и подобран соответствующий канат. Можно приступать к изготовлению. Кроме резки металла болгаркой и сверления, может потребоваться плазменная резка. В подавляющим числе технологий необходим также сварочный аппарат.
Якорь-кошка
Отличный вариант для использования с лодок ПВХ длиной 3-4 м в безветренную погоду. Складные лапы крепятся на скользящей по центральному стержню муфте. Перед переноской якоря лапы должны быть зафиксированы в нижней части. Рабочее положение лап -фиксация наверху при помощи шплинтов. Эти шплинты легко срезаются при необходимости извлечь застрявший якорь.
Если ожидается ветреная погода, конструкция нуждается в утяжелении. И, порой, в весьма существенном!
Материалы для изготовления:
- Труба (можно пруток) металлическая с диаметром 30 мм, длина в пределах 20…30 см и, дополнительно, кусок трубы чуть больше по диаметру, длиной 2…3 см. Короткая труба должна соосно надеваться на длинную трубу и иметь возможность свободно перемещаться вдоль оси.
- Кольца монтажные, 2 шт.
- Металлические листы толщиной 4…6 мм, из которых следует сделать следующие заготовки:
- полоски10…15 см х2 см, 4 шт.;
- полоски 4…5 см х 2 см, 4 шт., края закруглить.
- полоски 3 см х 2 см, 8шт., закруглить с одного торца.
- лапы в виде заострённого треугольника, 4 шт.
- 4 из 8-ми полосок размером 2х3 см просверливаются ( выполняется по одному отверстию диаметром 5…7 мм). Такие же отверстия просверливаются в средних и длинных полосках, причём в средних надо сделать 2 отверстия по краям.
- Полоски 2х3 см с отверстиями привариваются к длинной трубе и будут служить кронштейнами для крепления лап.
- Оставшиеся 4 полоски 2х3 см привариваются к короткой трубе.
- На точиле выполняется сужение длинных полос, затем, к ним приваривают треугольники. В середине полосок выполняется надрез, заготовка подгибается и заваривается. Так изготавливаются 4 рога-лапы.
- Короткая труба надевается на длинную, приваренные полоски на обоих трубах попарно соединяются серьгами (полосками 4…5х2 см) при помощи прутков.
Как привязать якорь
Снабдить малую лодку полным якорным устройством весьма проблематично. А надувную и нереально. Между тем узел скрепления якорь-троса или цепи с корпусом судна – жвака-галс – штука очень ответственная. Об одном из вариантов прикрепления якорь-троса к надувной лодке без дельных вещей, т.е. деталей из жестких материалов, см. видео напоследок:
Видео: размеры и способ привязывания самодельного якоря
***
2012-2020 Вопрос-Ремонт.ру
cope itemtype=”https://schema.org/Article” data-nonce=”5bf44b09ea”>

(1 оценок, среднее: 5,00 из 5)
cope itemtype=”https://schema.org/Organization”>
Как не утопить якорь
Такой вариант всегда возможен и к нему нужно быть готовым. Чтобы его минимизировать лучше заранее принять некоторые меры и следовать таким рекомендациям:
- – нельзя пользоваться грузом, не закрепленным к утолщенной части его веретена (тренда);
- – лучше, если к грузу будет прикреплен на тросике буек;
- – нельзя вытягивать зацепившийся якорь резкими движениями; необходимо это делать аккуратно, пользуясь буйрепом.
Устройство «кошка» часто теряется при его использовании на каменистом дне. Если произошел зацеп, избавиться от него можно двумя методами:
- – обязательно перед забросом устанавливают буек, присоединяя его буйрепом к месту, где в конструкции соединяются лапы и веретено; устранить зацеп и вытащить груз удается чаще, потянув его за буйреп;
- – устройство снабжают дополнительным кольцом сверху основного; оно изготавливается из непрочного материала; канат привязывают к месту, где соединяются веретено и лапы, оставляя свободным полуметровый конец; последним крепят веревку к дополнительному кольцу; при зацепе, при определенном усилии, дополнительное кольцо разжимается – вытаскивание устройства происходит аналогично первому способу.
Если с якорем что-то не так
Для сшитых и, особенно, надувных носимых на себе лодок масса и компактность якоря имеют определяющее значение, поэтому якоря для них следует делать как можно более легкими. Но как быть, если якорь пополз?
Способ увеличить держащую силу якоря известен давно: пригруз на якорь-тросе или якорь-цепи, слева вверху на рис. Кто помнит школьную физику, без труда подсчитает, что пригруз в половину веса якоря способен увеличить его держащую силу вдвое и более. Для легкого якоря надувной или шитой лодки достаточно свинцового пригруза в 1-2 кг; много места он не займет. Для установки на трос пригруз снабжается карабином, его можно закрепить на пригрузе жестко. Спускают пригруз на леске, которая на рыбалке всегда под рукой.

Способы увеличить держащую силу якоря и высвободить застрявший якорь
Другая нештатная ситуация с якорем – застрял. Способ освободить застрявший якорь также известен: буйреп, закрепленный на тренде, и буек-поплавок. Чтобы якорь вышел из мертвого зацепа, тянут за буйреп. Если обушка для него на якоре нет, а дно заведомо «подлое» (топкое, каменистое), буйреп можно привязать к тренду, как показано на рис.
На малых судах держать бухту буйрепа и буек часто неудобно. В случае, если якорь с поворотными лапами или какая-то из его модификаций, радикальное средство превратить якорь в нетеряйку – скользящий рым, поз. а-г на рис. Наиболее надежен скользящий рым по поз. в, но якорь с ним громоздок. Высвобождают якорь, как показано на поз. г: дают судну ход против натяга якорного троса.
Виды якорей для надувной лодки пвх
Сразу следует отметить, что в настоящее время, запатентовано порядка 2000 якорей для надувных лодок ПВХ. Наиболее распространенными из них являются:
- Адмиралтейский. Это классический вид. Состоит из веретена, транца, двух рог, лап, штока, скобы и рыма. Главным преимуществом такого якоря — универсальность. Его можно использовать на водоемах с любым дном. К тому же, он отличается достаточно высоким коэффициентом держащей силы, а также простотой конструкции. Сегодня выпускается большое разнообразие якорей адмиралтейского типа. Основные его минусы:
- Сложность в обращении.
- Громоздкость.
- Высокая стоимость.
- Вероятность того, что за одну из лап может зацепиться и запутаться якорный трос.
- Якорь Портера. Во многом напоминает адмиралтейский, за исключением того, что лапы якоря крепятся перпендикулярно штоку с помощью болтов. Благодаря этому, он может раскачиваться со стороны в сторону. дополнительным преимуществом данного вида является то, что когда одна лапа погружается в грунт, другая прижимается к веретену. Благодаря этому обеспечивается более высокая удерживающая сила, а вероятность зацепиться якорным тросом за торчащую лапу практически сведена к нулю.
- Якорь Дэкфорта. Обладает высоким показателем удерживающей силы. Главным отличим является его конструкционная особенность — шток расположен не вверху, а в нижней части веретена. При попадании на дно, шток не позволяет якорю опрокинуться. Основным плюсом является то, что он глубоко зарывается в грунт. Но при использовании якоря Дэкфорта обязательно следует учитывать тип грунта, так как в некоторых случаях он может погрузиться до такой степени, что вытащить его будет весьма проблематично, а иногда и вообще невозможно. Основные недостатки:
- Неэффективен на водоемах с галечным дном.
- На больших глубинах может долго погружаться.
- Якорь Норхила. Обладает повышенной удерживающей силой. Принцип действия аналогичен адмиралтейскому. Достоинства:
- Высокий КПД. При одинаковом весе, коэффициент удерживающей силы у якоря Нордхила будет в 7 раз выше, чем у того же адмиралтейского.
- Удобство транспортировки.
- Компактность (складывается).
- Малый вес.
- Якорь плуг. Главная особенность его конструкции заключается в том, что он имеет всего одну лапу и при этом обладает довольно высокой удерживающей силой. Достоинства:
- Обладает высоким КПД.
- Быстро и надежно зарывается в дно.
- Малый вес.
- Компактный.
На сегодняшний день, якорь плуг является одним из наиболее эффективных при использовании на илистом или плотном песчаном грунте.
Кроме вышеперечисленных видов, наиболее распространенными и применяемыми можно считать следующие виды якорей: кошка, гриб, речной и некоторые другие. Например, якорь-кошка является достаточно популярным, так как имеет предельно простую конструкцию и при этом, эффективно работает. Якорь-гриб является лучшим решением для тех, кто любит ловить рыбу на водоемах с песчаным дном. А вот речной якорь в принципе считается самым универсальным, так как может использоваться на любой глубине и в любых речках.
Конструкция якоря
В настоящее время существует около десятка известных и проверенных конструкций якоря:
Самым распространенным является якорь-кошка, который чаще всего устанавливается на лодках ПВХ. Данная модель якоря весит от 2 до 10 килограмм. Чаще всего для малогабаритных лодок обычно создают складные якоря. Преимуществами данного якоря являются небольшой вес, компактность, малые габариты. Существуем два вида якорей-кошек, отличающихся способом фиксации лап.
В первом случае лапы выпрямляются прямо с помощью специальной поворотной муфты, во втором случае механизм фиксации лап схож с зонтом, то есть лапы выдвигаются от центра. Большим недостатком данного якоря является низкое сцепление с илистым или каменистым дном.

Вторым по популярности является якорь Денфорта, напоминающий плуг. Данную модель нельзя очень легкой и малогабаритной, но зато она имеет большую силу сцепления с грунтом и камнем. С помощью своих плоских лопаточек якорь буквально закапывает себя в дно на довольно внушаемую глубину, затем встречает плотный грунт и останавливается вместе с лодкой. Якорь Денфорта, имеющий массу примерно 2 кг, может выдержать лодку с массой до 80 кг. Явным преимуществом данного якоря является легкость в снятии подводного зацепа.

Также весьма известным является речной грибовидный якорь, который своей формой напоминает гриб. Весит такая модель примерно 3-10 кг. Отлично ведет себя на каменистом дне, имеет небольшие размеры и весьма компактен.

Еще одним видом якорей является якорь Брюса, который имеет форму огромного крюка, на конце которого в разные стороны торчат две лопатки. При забрасывании зарывается с помощью лопаток в грунт и фиксирует судно.

Существует также вильчатый якорь, который своей формой напоминает двойную вилку, между двумя концами которой располагается лапка. Таким образом, при забрасывании лапа зарывается в грунт и фиксируется в нем, а вилка дает еще большее сцепление. Недостатком является то, что устройство достаточно сложно вытащить обратно.

На лодках ПВХ часто редко, но применяется якорь Нортилла, имеющий форму звезды с четырьмя концами, на двух концах звезды, находящихся параллельно установлены лапки, с помощью которых якорь зарывается в грунт, а две дополнительные балки, торчащие в разные стороны, только усиливают сцепление. Минусы данной модели – это большой вес и габариты, высокая цена, сложно вытащить наружу.

Адмиралтейский якорь обычно применяется на больших кораблях, но бывают и случаи использования на лодках ПВХ. Он включает в себя веретено, транц, два рога, шток, скобу и рым. Самый главный плюс такого якоря – это универсальность. Его можно использовать на водоемах, имеющих абсолютно любой вид дна. Также он отличается большим коэффициентом удерживающей силы, а также весьма простой конструкцией. Основными недостатками такого вида якоря являются: большие размеры и вес, высокая цена, сложность в эксплуатации.

Также существует еще одна разновидность якорей – якорь Портера, который очень похож на адмиралтейский, отличающийся лишь в способе крепления лап, которые крепятся перпендикулярно к штоку с помощью болтовых соединений. Благодаря этому, якорь может совершать колебания из стороны в сторону. Важным преимуществом данной модели является то, что при погружении в воду, одна лапа цепляется за грунт, а вторая за веретено, поэтому обеспечивается большая удерживающая сила, а вероятность, что якорный трос зацепится за торчащую лапу практически минимальна.

Виды якорей для ПВХ лодок
Незацепляемый якорь: как это?
Зацеп якоря, каким бы весом он ни обладал, — частая проблема на рыбалке. Отцепить якорь можно так:
- Своими талантливыми руками: для этого придётся нырять. А если активное течение и холодно? Неудобно.
- Тросом с поплавком — способ не такой трудозатратный по сравнению с первым.
Если не предусмотреть подходящий вариант, придётся отрезать якорь, а такие потери никому не нужны.
Если рыбалка осуществляется в том месте, где якорные лапы способны сходиться, советуем привязать дополнительный трос с поплавком, в роли которого можно взять резиновый мячик. Когда утяжелитель зацепляется, трос служит страховкой, позволяющей легко вытащить утяжелитель.
Как функционирует запасной трос?
Он подвязывается за тренд, пропускается сквозь чеку. При якорном зацепе трос тянется в другом направлении веретена: чека ломается и утяжелитель покидает препятствие, задержавшее его.
Если чеку закрепить на самом тросе, его можно потянуть в нужном направлении, приложив чуть больше усилий. На трос крепится и верёвка, замыкаемая на тренде и образующая петельку.
Очень полезное видео про незацепляемый якорь:
Как устанавливать чеку?
Чеку легко сделать самостоятельно: просто согните леску и проволоку так, чтобы они приняли круглую форму. Можно использовать и хомут из хорошего полимера, который продаётся в разных строймагазинах. Если вы хотите увеличить силу на разрыв, сделайте не одну чеку, а несколько.
Устанавливать чеку можно двумя видами:
- Скользящее крепление. Особенность в резком действии. Если оно будет плавное, судно примет неверное направление. Нагрузка на разрыв в данном способе составляет не больше 15 кг.
- Фиксированное крепление. Разрывная сила минимум в два раза больше, то есть чека не разорвётся от сноса судна. Чтобы разорвать чеку, понадобится использовать подвесной лодочный двигатель.
Какие существуют виды якорей
Задача якоря состоит в том, чтобы обеспечить плавательному средству неподвижность. При этом его использование не должно вызывать сложностей. Далеко не каждый якорь сможет справиться с поставленной задачей на «отлично».
Так, скажем, якорь-плуг использовать на лодке ПВХ не целесообразно. Он имеет достаточно большой вес, поэтому плавательное судно должно быть оснащено электромеханической лебедкой для его подъема. Ее установка на надувную лодку не представляется возможным.
Рассмотрим те виды якорей, которые целесообразно использовать именно на надувных лодках. К ним относятся:
- якорь-кошка;
- якорь Холла;
- адмиралтейский;
- курбатовкий;
- пирамидальный;
- гравитационный.
Некоторые из данных якорей можно приобрести, а некоторые сделать самостоятельно. Если вы покупаете якорь, то следует уточнить у производителя, существует ли гарантийное обслуживание, и где изготавливается товар. Поговорим о достоинствах и недостатках каждого вида якорей.
Якорь-кошка
К достоинствам якоря-кошки относят:
- Возможность использования на любых грунтах.
- Компактность.
- Складную конструкцию, что очень удобно во время транспортировки.
Недостатками данного якоря являются:
- Невозможность использования, как основного на реках с сильным течением.
- Риск повреждения надувной лодки.
Что касается последнего недостатка, то стоит отметить, что повредить надувное плавательное средство можно только в том случае, если якорь находится в раскрытом состоянии.
Якорь-кошка целесообразно использовать в том случае, если нужно зафиксировать положение лодки возле берега, заросшего камышом.
Якорь Холла
К достоинствам данного устройства можно отнести:
- высокую скорость зацепа за мягкий грунт;
- высокую держащую силу.
Но у него имеются и недостатки:
- большой вес, поскольку изготавливается, как правило, из чугуна;
- низкая держащая сила;
- возможность заклинивания в процессе эксплуатации.
Адмиралтейский якорь
Адмиралтейский якорь является:
- Универсальным (он отлично держится на любом типе грунта, включая камни).
- Юрким (достаточно легко «пробирается» сквозь водоросли).
На этом достоинства данного устройства заканчиваются. Что же касается недостатков, то можно отметить:
- Невысокую держащую силу.
- Достаточно большой вес.
- Большое количество времени, требующееся, чтобы зафиксировать данное устройство, что не очень удобно.
Курбатовкий якорь
Курбатовкий якорь изготавливается своими руками. Он имеет достаточно простую конструкцию.
К достоинствам этого якоря относят:
- компактность;
- небольшой вес;
- возможность использовать практически на любых грунтах.
Главным недостатком является невозможность использования данного якоря как основного на каменном грунте. Пожалуй, это единственный недостаток, который легко устраняется при помощи самой обычной болванки, надетой на лапу якоря.
Пирамидальный якорь
Пирамидальный якорь также изготавливается своими руками. В заранее приготовленную форму вливают твердый свинец, который предварительно нужно расплавить. Форму делают из металлических листов, разрезанных на две части. Готовое изделие имеет форму пирамиды.
К достоинствам данного устройства относят:
- Простоту в исполнении.
- Возможность использовать на любых грунтах.
- Возможность получить якорь определенного веса.
Из недостатков следует отметить:
- Отсутствие лап, соответственно не будет возможности углубиться в грунт.
- Невозможность использования как основного.
Гравитационный якорь
Гравитационный якорь обладает:
- высокой держащей силой;
- хорошей устойчивостью против опрокидывания;
- возможностью использования на твердых грунтах.
Существенными недостатками такой конструкции являются большой вес и его равномерное распределение, что не всегда позволяет обеспечить хорошую сцепляемость с грунтом.
Независимо от того какой якорь вы выбрали, перед покупкой снаряжения нужно внимательно его осмотреть. Если вы этого не сделали, а дома заметили какой-то брак, то следует отнести приобретенный товар назад в магазин и потребовать вернуть деньги или же заменить его на новый.
И все-таки кошка якорь!
Ещё одним качественным вариантом изготовления такого устройства своими руками является сборка якоря-кошки для ПВХ плавсредства. Для обеспечения надёжности, чтобы не допустить обрыв лапы, устройство закрепляется на штоке с помощью шплинтов из меди. Это позволяет в случае застревания изделия на дне срезать шплинт при установленном усилии, после чего лапа выпрямится и выйдет из-под коряги.
Благодаря использованию шарнирного крепления лап к нижней части на штоке, на который надевают плавающую муфту, устройство получается компактнее. Также за счёт скольжения муфты по основанию происходит фиксация лап в рабочем состоянии внизу штока, а при перемещении вверх они складываются. Якорь-кошка для надувной лодки, изготовленный своими руками хорош только при рыбалке в тихую погоду, а в случае с сильным ветром его нужно утяжелить дополнительным грузом.
Во-первых, по держащей силе кошка якорь довольно-таки средненький. Правда, для лодки, которая скользит по воде чуть ли не как палый лист, это не так существенно. Существенно другое: на каменистом или топком грунте кошку очень легко потерять. Когда металлолом валятся везде под ногами, а мастер на работе и без бутылки позволял пользоваться в личных целях сваркой и гибочным станком, это не имело значения, но сейчас другие времена.
Во-вторых, и тогда происшествий на воде из-за якорей-кошек хватало. А ныне выяснилось, что кошка опасна на только в лодке ПВХ, но и в сшитой из фанеры без набора корпуса, как те же динги или скифы. Литые складные кошки безопасны, хорошо держат сверхмалое судно на любом грунте, компактны, но стоят нечестно дорого. Хотя для шитой лодки с жестким корпусом прим. 2,5-3,5 м длиной подойдет и самодельная складная кошка с поворотной лапой, см. напр. видео
Пришла пора вспомнить о якоре-кошке и заодно о грибовидном якоре, т.к. они также взаимосвязаны. Путь происхождения якоря-гриба от складной кошки иллюстрирует левая часть след. рис. Грибовидный якорь хорош тем, что при минимальных размерах и полной безопасности для надувной лодки держит ее на очень и очень слабом дне – глубоко заиленном, плывучем мелкопесчаном и т.п. И еще тем, что его размеры и вес меньше, чем у других якорей, зависят от длины и водоизмещения судна. Однако грибовидный якорь для топкого дна обязательно должен быть снабжен обушком на тренде: вытащить его за рым или обух, если затянет в грунт, невозможно, не зачерпнув бортом.
Сделать грибовидный якорь можно из днища от бытового газового баллона; уже якорь из донышка от 5 л баллона надежно держит 1-2 местную лодку ПВХ. Днище от баллона отрезают там, где оно переходит в вертикальные стенки (наклон касательной такой же, как у адмиралтейского якоря – 40 градусов). В днище вырезают 3-4 отверстия диаметром 30-40 мм, чтобы грунт сквозь них продавливался, а не забивал лемех якоря.
У якоря-кошки есть еще одно достоинство: его можно сделать из подручных материалов. Конкретно – из пары кривых обломков или обрезков сучьев для лап, камня подходящего размера и формы, и еще куска кривого сука или рогульки для веретена. Сучья-лапы связывают накрест, привязывают к перекрестью камень; затем к нему – рогульку или сук-веретено. Известны случаи, когда люди выживали в экстремальных условиях благодаря самодельному якорю-кошке из подручных материалов.
Вариант 1. Верхняя пара лап в этой конструкции подвижная. При использовании якоря пары лап зафиксированы и располагаются под углом в 90 градусов друг к другу. После вытравливания якоря на борт верхняя пара поднимается и поворачивается, располагаясь параллельно с нижней, уменьшая габариты якоря. Фиксация подвижной пары лап производится с помощью втулок и отверстий.
Вариант 2. Отличается от первого тем, что во время нахождения якоря на дне подвижную пару фиксирует на ее рабочем месте пружина. Эта же пружина прижимает свободную пару, но расположенную аналогично неподвижной, когда якорь сложен.
Вариант 3. В кошке этой конструкции все лапы соединены с основанием якоря шарнирами и в походном положении прижаты к веретену. Разворачивает лапы в рабочее положение, прижимая их к нижней части якоря, муфта, двигающаяся по веретену. Эта же муфта, находясь в верхнем положении, фиксирует лапы, прижатые к веретену.
Якорь-кошка
Иногда в якорях-кошках перечисленных вариантов модернизируют лапы. Усовершенствование состоит в том, что лапы якоря, изготовленные из трех- или четырёхмиллиметровой проволоки или арматуры, при вытравливании с большим усилием изгибаются, освобождая якорь из грунта.
Способы определения веса и размеры якорного каната
По расчету исходя из формул
Это довольно сложная по структуре формула, которая максимально приближена к идеальной:
W=(8÷10)(корень 3 степени из D2) кгс,
W
– вес якоря;
D — водоизмещение судна, тс.
Правда есть масса и других формул, что позволяют определить вес или размер.
Перед тем как выходить в море необходимо тщательно просчитать все параметры и уже только после этого применять любые действия.
Необходимо обратить внимание на глубину погружения, размер лодки или же другого судна, скорость течения, тип якоря и какое время он должен находится на глубине.
Посмотрев в специальные таблицы
Научные деятели, решили упростить мастерам работу и провели исследования, которые относятся к выбору нужного приспособления. Эти таблице позволяют сопоставить все технические параметры любого водного транспорта и таким образом можно достаточно легко выбрать нужный и при этом не используя массу формул, которые отнимают много времени и сил.
Стоит отметить, что правильно сделанные самодельные якоря ничем не хуже от заводских так, как правильная технология приведет к хорошему результату. Перед тем как сделать, необходимо ответить на такие вопросы:
- Для какого судна он будет использоваться (в частности сюда относятся параметры, т. е. вес и объем устройства);
- Не навредит ли он такого типа лодке (как известно, есть разные материалы из которых изготовлена лодка, в частности с надувными надо быть осторожными, чтобы не пробить ее);
- Не подвержен ли материал для изготовления якоря коррозии – в случаи если вы не уверенны, то проконсультируйтесь у специалиста, чтобы ваш труд, не пропал зря.
- Перед тем как начать изготовление необходимо ознакомиться с достаточно большим количеством литературы и можно посмотреть несколько видеоуроков, которые позволят пойти по правильному направлению.
- Определенному типу лодки соответствует якорь, который сможет выполнить все необходимые функции. Если течения достаточно быстрое, то лучше брать с большим весом – это поможет зафиксировать лодку в нужном месте;
- Хранить данный инструмент лучше всего в чехле, который будет его защищать от внешней среды, во время неиспользования. Также не будет царапать поверхность судна;
- После использования стоит его очистить – это поможет максимально долго его использовать.
Каждый рыболов мечтает обладать плавсредством. Самое доступное из них – лодка ПВХ. Многие изготавливают якорь для лодки ПВХ своими руками. Якоря служат для удерживания судна на определенном месте в заданном положении.
Основной (носовой) груз отвечает за сопротивление лодки ветру, волнам и течению, а кормовой (верп) – за осевое расположение лодки относительно сектора облова и за безопасное поднятие со дна. Якоря для надувных лодок являются еще и средством безопасности при ловле в условиях нахождения берега с подветренной стороны. Рыбалка – занятие азартное и увлекательное, очень легко упустить момент, когда ветер или течение отнесет плавсредство дальше, чем нужно. Выгребать после этого против подводного течения обратно к суше может оказаться трудной задачей.
Многие изготавливают якорь для лодки ПВХ своими руками
Российские рыбаки – люди экономные и умелые, поэтому чаще всего они предпочитают изготовить тормозное приспособление для лодки своими руками. Использование подручных средств (кирпичей, камней, кусков железа) несет неудобство в транспортировке, потерю времени на крепление и опасность повреждения самой лодки. Кроме того, их использование возможно лишь на водоемах с каменистым дном, в остальных случаях они малоэффективны. Именно поэтому настоящие рыбаки предпочитают изготавливать самодельные якоря для лодок ПВХ.
Среди множества конструкций наиболее распространены следующие виды самоделок:
- система Курбатова;
- “кошка”;
- якорь Дэнфорта.
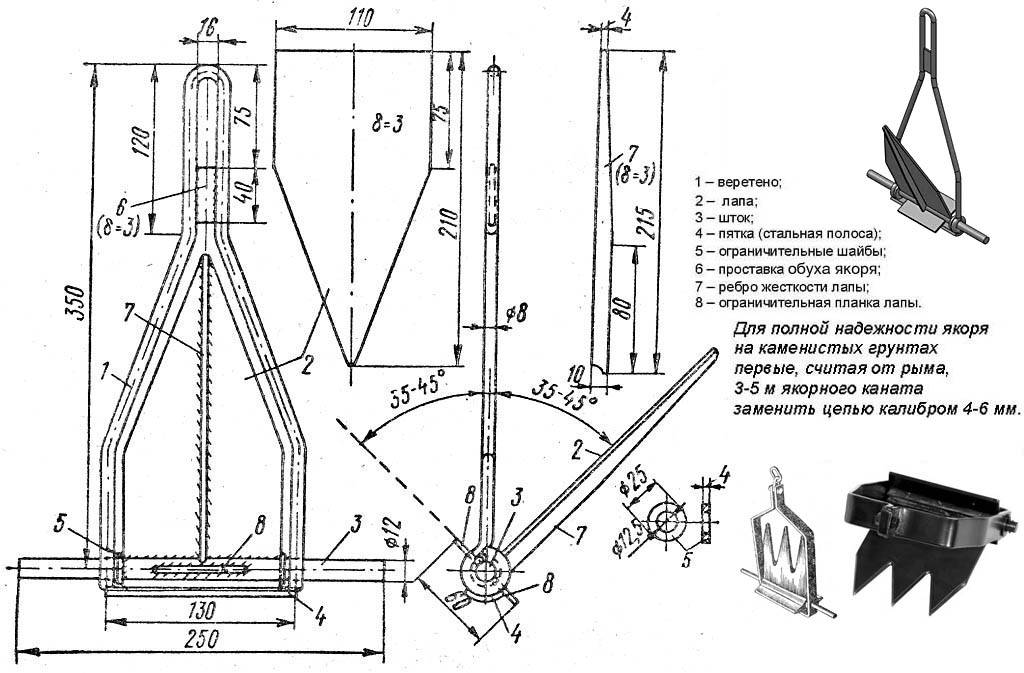
Система Курбатова – устройство, отлично работающее на двухместных лодках при небольшом течении и силе ветра до 6 м/с. Конструкция представляет собой раздвоенный хомут из крепкой проволоки и одной лапы с наклоном в 45º. Удлиненный шток гарантирует проникновение лапы в грунтовое дно независимо от угла падения. Такое изделие обладает компактностью и небольшим весом. Для изготовления понадобятся следующие материалы:
- стальная проволока диаметром 7-8 мм;
- лист стали толщиной 3 мм;
- прут из стали диаметром 13-15 мм.
Имея чертежи и сварной аппарат, сделать подобный якорь своими руками несложно:
Наиболее популярные виды: достоинства и недостатки
- Курбатова – это сварной инструмент, который сделан из стального прутка с диаметром 10 миллиметров и толщиной 4 миллиметров. Главной особенностью считается это наличие лишь одной лапы и раздвоенного веретена. Его вес составляет не более 2,5 кг. Такого типа якоря достаточно хорошо держаться на любых фунтах. Недостатком считается тот факт, что на каменистых поверхностях он держится плохо, поэтому придется возить с собой болванку с весом 4 или 5 килограмм.
- Грибовидный – это один из первых якорей, что используется из 1850 года. Его главное преимущество – это держаться на плаву. Он имеет специальные отверстия через которые проходит воздух, тем самым это позволяет якорю не двигаться с закрпленного места. Для лодок ПВХ используется маленький с размером 3,5 кг. Недостатком считается то, что он не складывается и имеет немаленький вес.
- Адмиралтейский – Преимуществом данного типа считается то, что его достаточно просто сделать, так как состоит из веретена и с утолщенной внизу частью. Его можно подобрать разного размера и с разных материалов. Недостатком считаются его лапы, так как они не складывают и сами по себе острые, а для лодки ПВХ – это опасно.
- Дэнфорта – один из популярных якорей, главным его преимуществом считается повышенная держащая сила. Суть состоит в том, что когда он падает на дно, то он не останавливается и входит прямо в рыхлый слой грунта и достигает твердой основы. Удлиненный шток служит стабилизатором и не позволяет якорю опрокидываться на бок. Якорь такого типа представлен в разных весовых категориях. Необходимо сказать, что в малом весе он мало пригоден. На сильном течении такой якорь долго дрейфует и падет не на то месте, где планировалось.
- Кошка – такой тип очень хорошо использоваться на маленьких суднах. На больших суднах он служит вспомогательным, но никак не основным. Он достаточно хорошо фиксируется на глубине. Один из самых недорогих. Лапы его складываются и по размеру маленький. Если его использовать на надувных лодках, то необходимо очень аккуратно, так как у него острые лапы, что могут повредить судну.




































