Советы по применению

Сразу же стоит обратить внимание, что самодельную конструкцию, чтобы она из себя ни представляла, вряд ли удастся зарегистрировать (узаконить) в соответствующих органах. А поэтому:
- Согласно закона, самодельный снегоход не относится к категории транспортных средств. Поэтому, дальнейшее его применение, а также ответственность за последствия ложатся исключительно на того человека, который его сделал. Лучше, если он будет эксплуатироваться где-то в глубинке и не попадаться на глаза соответствующих служб.
- Снегоход и плавающий вездеход – это абсолютно разные аппараты, хотя и имеют определенное сходство.
- Так как двигатель имеет маленькую мощность, то перевозить этим транспортным средством грузы не желательно. Лучше передвигаться на нем одному.
- Для передвижения ночью, на снегоход можно установить освещение (фары). Это повысит функциональность устройства и комфорт при передвижении.
Варианты изготовления
На фото ниже приведена возможная схема создания гусеницы для снегохода. Длина основного участка составляет 5,8 м. При этом используются катки величиной 0,07 м. Межосевое расстояние принимается равным 0,9 м.
Изготовление гусеницы для снегохода своими руками при наличии чертежей происходит весьма просто. Но если взять даже самую лучшую транспортерную ленту в чистом виде, то она будет быстро изнашиваться во время эксплуатации. Исправить положение помогает прошивка по краям толстой леской. Ничего оригинального тут придумывать не надо — придется только действовать так же, как при шитье обметывают края ткани
Именно периметр является самым уязвимым звеном, и неважно при этом делается ли гусеница на 1 метр, на 2 метра или какой-то другой длины
Полоса резины должна быть закольцована. Некоторые люди просто сшивают торцы, но подобная методика недостаточно надежна. Куда лучше будет задействовать шарнир, который подбирают под рояльную петлю.
Но некоторые люди отмечают, что для снегоходной гусеницы подойдет и резина, снятая со старого мотоцикла (выпуска до 1990 года). Правда, такой ресурс по очевидным причинам встречается уже редко. Альтернативное решение — сделать гусеничный движитель на основе ремней. К клиновидному полотну добавляют грунтозацепы собственной конструкции. Чаще всего на сцепление идут заклепки либо комбинация «гайка-болт».
Ремни оснащают еще на производстве отверстиями, которые несложно подогнать под главную звезду снегохода. Надо только оставить определенный промежуток между полосами. Крепление такой конструкции производится с помощью троса маленьких диаметров и иных прочных материалов.
Полезно рассмотреть и альтернативные решения (которых, на самом деле, очень много). По одной из схем также предполагается использование транспортерной ленты. Дополнительно потребуется профильная труба прямоугольного сечения. Для крепления применяют гайки, болты, граверы и шайбы. Начинают работу с самодельным движителем, формируя заготовки траков.
Их просто отрезают точно по ширине гусеницы при помощи УШМ. Когда черновые заготовки сделаны, им надо придать особую форму, опрессовывая на станке.
После этого наваривают ограничивающие клыки и арматуру, напоминающую литеру Y. Полученные экземпляры проверяют и подгоняют на том месте, куда они должны встать.
Собрать гусеницу самому, когда сделаны траки, уже не составляет особого труда. Надо только проделать в ленте отверстия при помощи заточенной на торце трубки. Боковину трубки оснащают тоже отверстием, которое помогает извлекать резиновую крошку и пыль. Траки сверлят электродрелью, на каждом краю должно быть два отверстия. Сборка с такими заготовками не составляет труда.
Но есть еще несколько тонкостей, которые необходимо учесть в любом случае. Если на первом плане будет повышенная проходимость, то нужно изготовить двухгусеничный снегоход, который к тому же устойчивее имеющего одну опору. Никакой практической разницы в работе нет, разве только придется сделать еще одну гусеницу дополнительно. Сами движители иногда приходится дорабатывать, выполняя шиповку саморезами. Такая процедура призвана повысить проходимость транспортного средства до максимума.
На снегоходе без шипов, как показывает практика, очень сложно заезжать на обледеневшие берега, на скользкие серпантины. Если процедура выполнена правильно, можно забыть о такой проблеме как минимум на один сезон. Правда, стоит учесть, что шипованные гусеницы хуже поворачивают, особенно на асфальте. Но безопасность в сложных условиях стоит того
Необходимо также уделить внимание задней подвеске, которая должна четко работать в связке с гусеницами
Связанные подвески применяют в спортивных и грузовых моделях. Но вот на глубоком снегу и при использовании длинных гусениц лучше подойдут несвязанные подвески. Такое исполнение усиливает тягу и отлично распределяет весовую нагрузку.
Советы по применению

Сразу же стоит обратить внимание, что самодельную конструкцию, чтобы она из себя ни представляла, вряд ли удастся зарегистрировать (узаконить) в соответствующих органах. А поэтому:
- Согласно закона, самодельный снегоход не относится к категории транспортных средств. Поэтому, дальнейшее его применение, а также ответственность за последствия ложатся исключительно на того человека, который его сделал. Лучше, если он будет эксплуатироваться где-то в глубинке и не попадаться на глаза соответствующих служб.
- Снегоход и плавающий вездеход – это абсолютно разные аппараты, хотя и имеют определенное сходство.
- Так как двигатель имеет маленькую мощность, то перевозить этим транспортным средством грузы не желательно. Лучше передвигаться на нем одному.
- Для передвижения ночью, на снегоход можно установить освещение (фары). Это повысит функциональность устройства и комфорт при передвижении.
X911AM › Блог › Мотособака своими руками 1.

Сегодня создал отдельную страничку на мотобуксировщика, но так как нарушил права сайта, страничку заблокировали:(((, За маленький промежуток времени, успели набрать 59-подписчиков, драйва-17. И решил для неравнодушных моих читателей все изменения закидывать сюда в личный блог)
Мотобуксировщик — по научному, Мотособака — в народе.Имя своей собаке я ещё не придумал:)В наших краях (Архангельская область) это очень популярный вид транспорта.Мотобуксировщик представляет собой модель класса особо компактных машин — снегоходной техники.Мотобуксировщик спроектирован в первую очередь для тех любителей активного отдыха, которые проживают в городе или просто не имеют необходимых условий для хранения, обслуживания и транспортировки полноразмерного снегохода, и предназначен для загородных прогулок и транспортировки людей и груза от автомобиля до мест, недоступных на других видах техники.Невысокий вес мотобуксировщика, а также низкое удельное давление на грунт, позволяют передвигаться на нем по любым типам заснеженной поверхности. Небольшие габаритные и малый вес позволяют перевозить его практически в любом легковом автомобиле и хранить его в межсезонье не мешая в гараже.Впервые в своей жизни (с моим батей) увидели такое чудо у одного мужичка в 1998году, именно он придумал такой вид транспорта. Мне тогда было всего лишь 12лет, и в такой технике ещё не соображал, но стремился понять. А отец хорошенько изучил конструкцию, и в 2002году вместе сделали примерно такую же модель. Через несколько лет мотособаки появились заводского изготовления, и сейчас они завоевали большую популярность у народа, и продаются уже много разнообразных видов, цена 50000-100000рублей + сани 5-8тыс.рублей.
ИЗ ЖИЗНИ ДАННОГО ПРОЕКТА: на момент постройки (2002год) было маловато финансовых возможностей, да и других возможностей (достать материалы, гаража, токаря и сварщика) так как переехали с Украины в не знакомое место в России. Но ничего, построили из того что нашли . . .ГУСЕНИЦУ сделали из транспортерной ленты, в которой пробивали отверстия стамеской, и для крепости и хорошего сцепления со снегом прикручивали на болты металлические шины и в промежутке 3/1 уголки 20Х20. Вес гусеницы получился тяжеловат, и большой минус — гусеница туго вращалась. В дальнейшем её заменили на гусеницу от снегохода Буран, и о чудо вся система легко вращается от руки, за одно и сбросили вес конструкции.ДВИГАТЕЛЬ первый ставили от бензопилы Урал, потом у него что-то полетело, и заменили двигатель на другой от бензопилы Дружба (такой же двигатель был и у изобретателя такой породы транспортного средства). С этим движком собака жила и почти не болела таская на себе и за собой рыбаков, тяги и скорости вполне хватало. Но есть большие минусы с этими моторами: Громко работают, Плоховато заводятся, особенно если обсушить бак.В 2004году я ушёл на 2года служить в армию, и всё, с того момента собака своим ходом больше не выезжала, ездила только в машине с одного гаража в другой, и пару раз чуть не была выброшена на вольные хлеба. Но тут в прошлом году проскакивала ещё одна мысля, поменять моторчик, и другой раз можно будет сгонять на рыбалку по дальше, чем проходишь пёхом. Да и ещё одно развлечение при выезде на природу зимой шашлычок + прокатиться желающим на мотособаке. Машины у меня большие, так что для такого зверька места в багажнике найдётся без проблем.В прошлом году осенью, почти зимой подъехал к своему гаражу и тут подъехали молодые парни на скутере, в прошлый раз они так подъезжали и продали мне хороший инструмент за не дорого, а в этот раз предложили скутер за копейки на котором приехали (мол уже снег лежит, скутер не в теме) и тут меня посетила мысля, сам скутер мне и даром не нужен, а мотор можно попробовать впихнуть на мотособаку.Вот пролежав скутер и мотособака уже год в гараже, не женившись.И на прошлой неделе дошли мои руки, разобрал скутер и собаку, начинаю по тихоху сращивать:)))Пока собираю для пробы, и подбора звёздочек. В дальнейшем будет по максимуму разобран и покрашен.
Можно ли собрать детский снегоход самому?
На самом деле существует множество различных способов собрать своими руками детский снегоход. Для этого можно использовать множество разнообразных комплектующих. Рассмотрим на примере один из возможных вариантов такой сборки.
Прежде всего, необходимо продумать заранее конструкцию агрегата, детали которой несложно будет приобрести или изготовить самостоятельно. Хорошей проходимости по рыхлому или глубокому снежному покрову ожидать, конечно, не приходится, но мощности самодельного агрегата будет вполне достаточно для того, чтобы, например, отбуксировать сани с седоками или несколько ?Аргамаков?.
Чтобы сделать агрегат самому, можно взять мотор от мотоблока на 6 л.с. В качестве движителя, например, можно взять часть гусеницы от старого снегохода. В Интернете можно заказать специальный набор для мотоциклов, в котором вместо переднего колеса устанавливается лыжа, а также небольшой гусеничный движитель. Пользуясь такими приспособлениями, всегда можно сделать своими руками небольшой снегоход.
В качестве каркаса можно использовать несколько металлических труб. Можно сделать разборную раму своими руками и закрепить на ней сиденье от старого скутера и руль от велосипеда. Если есть возможность выбора, для удобства хранения и транспортировки можно установить съемный двигатель.
Чтобы сделать стойки для лыж, можно собрать своими руками конструкцию из вилок и рамы от велосипеда. Отдельные элементы можно скрепить между собой болтами. Чтобы собрать и разобрать такой самодельный снегоход, понадобится всего несколько минут. Никаких инструментов для этого вообще не потребуется. Двигатель монтируется на съемной платформе. Приводом на задний вал движителя служит обыкновенная цепь от мотоцикла.
Самодельный снегоход не должен разгоняться быстрее 20 км/ч. Для этого необходимо подобрать соответствующее передаточное соотношение. Лучше всего соединять переднюю и заднюю часть снегохода шарнирно. Таким образом, на самодельный агрегат не нужно устанавливать амортизационные пружины.
На раму своими руками можно установить сиденье от скутера. Благодаря этому самодельный снегоход будет удобным не только для детей, но и для взрослых. Скорость такого средства передвижения не будет высокой. К тому же такой самодельный агрегат практически не имеет наката из-за сопротивления гусеницы и трансмиссии. Лучше всего сделать своими руками тормозную систему или устройство для экстренной остановки мотора. На самодельный руль можно установить ручку газа. По мере увеличения оборотов мотора возрастает и скорость средства передвижения. При сбросе газа прекратится ускорение и самодельный снегоход остановится.
Подобное средство передвижения можно сделать своими руками, используя мотор от скутера. Комплектующие для движителя можно заказать в Интернете или использовать старые запчасти от мототехники, которые есть под рукой.
При желании всегда можно сделать детский снегоход самостоятельно. Если сравнивать с заводскими образцами самодельные средства передвижения, удастся определить их преимущество в легкости и компактности, а также в возможности хранения и транспортировки
Отличия в мощности двигателя может не оказаться, а если обратить внимание на техническое оснащение, лидирующие позиции почти всегда будут занимать фирменные агрегаты
https://youtube.com/watch?v=V0FHQI8QuVw

Детские электроснегокаты в нашей стране появились относительно недавно, поэтому обладатель такого вида электротранспорта сразу же привлекает внимание окружающих. Быстро и бесшумно прокатиться по заснеженному полю, подняться на горку без помощи взрослых, а затем, умело управляя своим личным транспортом, спуститься с нее вниз – это зимнее развлечение доставляет детям неописуемое удовольствие
Таким транспортом с удовольствием пользуются и взрослые, увлекающиеся зимней рыбалкой, поэтому очень часто электрический снегокат, предназначенный для детей, используют все члены семьи. Единственное ограничение при этом касается веса и габаритов пользователей электроснегоката. Вес должен быть не больше, чем допускает конструкция, а габариты взрослого водителя должны позволять комфортно устроиться на ее сиденье.
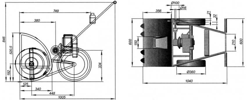
Приводной вал
Он будет трубчатого типа с диаметром 28 мм. На него следует надеть круглый фланец с отверстиями для зубчатых колес. В концы приводного вала впрессуйте и приварите полнотелые наконечники-цапфы. Последние должны быть проточены под подшипники.
Следует отметить, что левый наконечник должен быть немного короче правого. На удлинении сделайте шпоночную канавку для посадки ведомой звезды II ступени цепной передачи. Данная деталь также называется звездочкой ведущего вала гусеницы и закрепляется гайкой на 14 мм. Предварительно на данной детали следует сделать соответствующую резьбу.
Размеры наконечников натяжного вала должны быть одинаковыми и крепиться аналогично устройствам приводного.
Советы по применению

Сразу же стоит обратить внимание, что самодельную конструкцию, чтобы она из себя ни представляла, вряд ли удастся зарегистрировать (узаконить) в соответствующих органах. А поэтому:
- Согласно закона, самодельный снегоход не относится к категории транспортных средств. Поэтому, дальнейшее его применение, а также ответственность за последствия ложатся исключительно на того человека, который его сделал. Лучше, если он будет эксплуатироваться где-то в глубинке и не попадаться на глаза соответствующих служб.
- Снегоход и плавающий вездеход – это абсолютно разные аппараты, хотя и имеют определенное сходство.
- Так как двигатель имеет маленькую мощность, то перевозить этим транспортным средством грузы не желательно. Лучше передвигаться на нем одному.
- Для передвижения ночью, на снегоход можно установить освещение (фары). Это повысит функциональность устройства и комфорт при передвижении.
Электростанция
Для мобильной электростанции мощностью до 5 квт существует проверенное временем решение: генератор — самоделка на основе мотора от пилы Дружба или Урал. Их активно используют в экспедициях и на удаленных лесозаготовках. Устройство включает в себя стальную раму, сваренную из уголка, на которой закреплены двигатель, генератор и влагозащищенная электрораспределительная коробка с розетками для подключения электрооборудования или удлинителя. Через редуктор крутящий момент передается на вал генератора.
Для низкооборотных генераторов существует вариант электростанции-самоделки с ременной передачей. Такая конструкция отличается меньшими габаритами.
Технические характеристики аэросаней
По техническим свойствам аэросани мало отличаются бензопилы. Однако при малой тяге удается развить высокую скорость.
- 4700 об/мин мощность двигателя;
- 15 л.с.;
- 62 кг — максимальная сила тяги винта;
- диаметр винта 1300 мм;
- 2300 — максимальное число оборотов винта в минуту;
- 1,85 — передаточное отношение редуктора;
- 0,68 кв.м. – площадь скользящей поверхности полозьев (лыжи);
- 40-50 л. — объем топливного бака;
- 40-50 км/час – максимальная скорость;
- 50-70 км/час — максимальная скорость по укатанному снегу;
- 75-80 км/час — максимальная скорость по снежной целине;
- 100-110 км/час – максимальная скорость по насту;
- 90,7 кг – вес без водителя (сухой вес);
- 183 кг – полный снаряженный вес.
Грузоподъемность
Под грузоподъемностью понимается вес водителя, пассажиров, грузов и дополнительного топлива. В аэросани на борт берут 1-5 пассажиров. Вес груза на борту достигает 300 кг.
Таким образом, аэросани становятся подспорьем при перемещении грузов и людей между отдаленными населенными пунктами в заснеженных районах. Так же они станут незаменимы во время охоты, чтобы оттащить тушу или добрать до нужного квадрата.
Дальность хода
Если на аэросанях установлен малолитражный двигатель, то на одном стандартном баке в 40л. При крейсерской скорости удается преодолеть до 300 км.
Самодельный снегоход из бензопилы своими руками
Независимо от типа используемого двигателя и устройства самодельного снегохода из используемой в хозяйстве бензопилы, его изготовителю потребуются детальные чертежи. Схема изготовления опишет правильный порядок монтажа используемых элементов, а также подходящие способы их крепления на раму.
После изучения схемы нужно переходить к подготовке рабочего места.
Под рукой у изготовителя должны быть:
- болгарка и набор режущих дисков;
- аппарат для сварки;
- дрель и сверла разного диаметра;
- несколько листов предварительно окрашенной стали;
- металлические и пластиковые трубы разного диаметра;
- уголки и лонжероны;
- лыжи или транспортерная лента;
- болты, саморезы и другие крепежи разных размеров.
Чтобы изготовителю было легче собрать самодельный снегоход из бензопилы, порядок его действий должен быть следующим:
- Вначале нужно сделать опорную раму – крепкий, устойчивый к нагрузкам и вибрации каркас, к которому будут крепиться все рабочие узлы снегохода. Основа рамы собирается из сварных лонжеронов. Посреди них должна располагаться металлические уголки, а в передней и задней частях – стальные пластины, толщиной не менее 2 мм. Чтобы сделать каркас более прочным, края пластин потребуется согнуть под прямым углом. В передней и задней частях используемых лонжеронов нужно проделать аккуратные отверстия для их беспрепятственного соединения с гусеницами или лыжами. Для более надежной фиксации оси должны крепиться при помощи гаек и контргаек. Помимо своей основной функции, оси опорных катков также будут играть роли поперечин, расположенных между лонжеронами. К установленным на лонжеронам потребуется приварить стойки, заранее сделанные из стальных уголков, размерами 30×30 мм. Между первой парой стоек нужно установить площадку для монтажа редуктора, а также промежуточного вала, предусмотренного в цепной передаче используемой бензопилы. Между второй парой стоек крепиться площадка, на которой будет монтироваться сиденье и ящик, играющий роль своеобразного багажника;
- Далее потребуется сделать гусеницы для снегохода из бензопилы. Для этого подойдет транспортерная лента. В устройстве гусениц роль приводного играет передний вал, который можно заранее сделать из трубы, диаметром 3 см. На готовый вал должны быть надеты круглые фланцы с предварительно проделанными в них отверстиями. Сами фланцы нужны для того, чтобы закрепить на них зубчатые приводные колеса гусениц. В отверстиях, расположенных по бокам трубы, потребуется впрессовать и приварить цапфы. Последние нужно заранее проточить для монтажа подшипников. Роль ведомой в устройстве цепной передачи играет звездочка, установленная в ведущем гусеничном валу. Зафиксировать ведомую звездочку можно на правой цапфе, в предварительно проделанной на ней шпоночной канавке. Для крепления звездочки потребуется гайка М14. Задний вал самодельной гусеницы выполняет функции натяжного. В его устройстве оба наконечника обычные и удлинять их не нужно, так как задний вал крутящий момент от двигателя не передает;
- Далее изготовителю потребуется установить и надежно закрепить двигатель от бензопилы. Лучше всего выбрать для монтажа ДВС подмоторную стойку, которая должна крепиться к балке при помощи сварки. Сверху на стойку нужно установить топливный бак. Редуктор, который также можно взять от бензопилы, должен устанавливаться на площадке, и быть развернутым на 180 ⁰;
- На финишном этапе потребуется обустроить место водителя снегохода. Кресло можно сделать из нескольких досок, толщиной 2 см, и обшить плотной мягкой тканью или поролоном. Крепить сиденье нужно при помощи петель.
Мотокультиватор, снегоуборщик, ледобур и буроям своими руками
Мотор из бензопилы отлично подойдет и для создания мотокультиватора, предназначенного для вспашки целины (для легких грунтов). Для работы с плотными и влажными почвами мощности и крутящего момента двигателя скорее всего не хватит, а вот для взрыхления поверхностного слоя и удаления оставшихся в земле корней бурьянов культиватора из бензопилы будет достаточно. Главной деталью устройства является вращающаяся фреза, за счет которой и происходит передвижение техники по участку.
Чертеж снегоуборщика выполненного своими руками с применением бензопилы.
Если в культиваторе заменить вал с лемехами на шнек, а также оснастить конструкцию заборным устройством и трубой для откидывания снега, культиватор превращается в снегоуборочную машину. Мотора от любой пилы мощностью 3-5 лошадиных сил будет более чем достаточно для уборки рыхлого снега на участке
Важно только выполнить удобный шнековый механизм. Для этого чаще всего применяются лопасти, изготовленные из толстой резины. В качестве заборного устройства подойдут детали из оцинкованной стали
Выброс снега легко осуществить, установив пластмассовую трубу большого диаметра
В качестве заборного устройства подойдут детали из оцинкованной стали. Выброс снега легко осуществить, установив пластмассовую трубу большого диаметра.
Бурить лед или промерзшую землю ручным инструментом – довольно долгое и физически сложное занятие. Создание мотобура своими руками значительно упростит выполнение этой задачи. В этом случае, помимо мотора, необходимо иметь редуктор, регулирующий количество оборотов в минуту, потому как такого сильного вращения, как у бензопилы, устройству не требуется.
На заметку! Если не имеется достаточного количества знаний относительно работы редуктора, можно обратиться за помощью к инженеру, который поможет правильно выбрать нужный механизм. Необходимый тип прибора подбирается в зависимости от характеристик мотора.
Для создания мото- или ледобура своими руками, первое, что потребуется сделать, – выполнить надежный корпус, представляющий собой усеченную пирамиду, состоящую из двух прямоугольников различных размеров. Понадобятся болгарка, сварочный аппарат и металлические трубы. Именно внутри этой рамы и будет устанавливаться редуктор, соответственно, габариты корпуса напрямую будут зависеть от размеров редуктора.
Буроям из бензопилы станет незаменимым помощников в хозяйстве.
Для надежности специалисты рекомендуют в качестве шнека взять деталь от хорошего мотобура, выполненную из прочной стали, потому как низкокачественный материал не выдержит больших нагрузок. Другой важный вопрос – надежное крепление бура, которое можно осуществить при помощи обыкновенной трубы, зафиксированной с двух сторон шпонками или шпильками. Такой способ крепления позволит менять буры или использовать другие приспособления для работы.
Самодельный культиватор из бензопилы дружба — Металлы, оборудование, инструкции
Дачники, имеющие в своем владении мотоблок, не знают проблем с обработкой земельного участка, проводя ее быстро и эффективно. Но что делать, если участок земли маленький и покупать дорогостоящую сельскохозяйственную технику дорого. Выходом из ситуации станет модернизация бензопилы в самодельную установку для обработки земли.
Этот недорогой и мощный инструмент, при желании модернизируется в мотоблок, который справляется с возложенными на него обязанностями не хуже специализированной техники. Давайте разберемся, как собрать мотоблок из бензопилы и какие инструменты для этого понадобятся.
Мотоблок из бензопилы: своими руками, мотоцикла, самодельный, Дружба, скутера, коммутатор
Рассмотрим, как сделать мотоблок из бензопилы. Бензопила работает во всех положениях благодаря системе подачи топлива, она очень мощная и неприхотливая.
Как сделать мотоблок из бензопилы
Мотоблок отличается от мультикультиватора, из первого может получиться мини-трактор. Если мотокультиваторы подходят только для рыхления почвы, то усовершенствованные мотоблоки заменяют даже транспортные средства при перевозке различного груза (сена, бревен, корма для скота и т.д.).
Рассмотрим, как изготовить мотоблок своими руками из бензопилы. Для этого нужно потратить время на изучение схемы данной техники и приобретение всех необходимых запчастей.
Имея чертежи самодельной рамы, можно собрать очень мощную технику. При сборке агрегата используются запчасти от скутера, автомобилей, бензопилы Дружба, мотоцикла Урал и пр.
При изготовлении понадобятся слесарные навыки, поскольку вся работа производится вручную.
Конструкция самодельного агрегата выглядит примерно так: мотор — промежуточный вал — колесо. Самодельный мотоблок из бензопилы держится на раме, к которой крепят двигатель и редуктор. Бак для горючего устанавливают на кронштейне. Весь упор агрегата приходится на колеса. В задней части механизма устанавливается рабочее орудие.
Как сделать агрегат из скутера
Рассмотрим, как собрать мотоблок из скутера. Для такой сборки используются:
- мотор скутера (вполне достаточно 4 л.с.);
- предварительно укороченный задний мост от автомобиля Жигули;
- редуктор (от комбайна или другой машины).
Вместо редуктора можно установить две цепные звездочки, которые соединяют двигатель с редуктором, а редуктор с мостом. Вариатор от скутера можно установить на двигатель. Аккумулятор устанавливается над редуктором.
Поскольку у двигателя скутера своя выхлопная система и стартер, машина будет нешумная. В передней части мотоблока можно поставить фару, используя коммутатор. Это облегчит работу в темное время суток, особенно если аппарат приспособлен для транспортировки грузов.
Мотоблок из бензопилы Дружба и Урал
Рассмотрим, как собрать мотоблок из бензопилы Дружба. Сборка агрегата из двигателя бензопилы Дружба очень простая. Мотор нетяжелый и компактный, поэтому раму можно собрать из трубы. На нее кроме двигателя крепятся реверсный редуктор и топливный бак. Изогнутая в верхней части труба служит держателем для управления устройством. На ней устанавливается ручка скорости.
Разберемся, как сделать из бензопилы мотоблок своими руками. Пошаговая инструкция:
- Создается чертеж. Это очень важный этап создания агрегата, без которого изготовить надежную технику не получится. Четко должны быть отмечены все запчасти с местами крепления и обозначены все размеры.
- Создание рамы. Она представляет собой куб, у которого углы равны 32х32 мм. На верхние углы рамы устанавливается мотор, а под ним — топливный бак. Для промежуточного опирания вала спереди устанавливаются вертикальные стойки. А чтобы смонтировать подшипники, понадобятся опоры к продольным углам.
Можно создать самодельный мотоблок из мотоцикла. Это будет более мощный аппарат, для него используется двигатель мотоцикла. Например, подойдет мотор мотоцикла ИЖ.
Поскольку скорость у агрегата невысокая, необходима принудительная система охлаждения.
Советы по применению
Сразу же стоит обратить внимание, что самодельную конструкцию, чтобы она из себя ни представляла, вряд ли удастся зарегистрировать (узаконить) в соответствующих органах. А поэтому:
- Согласно закона, самодельный снегоход не относится к категории транспортных средств. Поэтому, дальнейшее его применение, а также ответственность за последствия ложатся исключительно на того человека, который его сделал. Лучше, если он будет эксплуатироваться где-то в глубинке и не попадаться на глаза соответствующих служб.
- Снегоход и плавающий вездеход – это абсолютно разные аппараты, хотя и имеют определенное сходство.
- Так как двигатель имеет маленькую мощность, то перевозить этим транспортным средством грузы не желательно. Лучше передвигаться на нем одному.
- Для передвижения ночью, на снегоход можно установить освещение (фары). Это повысит функциональность устройства и комфорт при передвижении.
Схема изготовления снегоход из бензопилы «Урал» своими руками
Большинство мастеров отдают предпочтение отечественным моделям бензопил, аргументируя это их дешевизной и доступностью. Поэтому есть смысл изготовить первый снегоход из бензопилы советского производства.
В первую очередь понадобится собрать схемы и чертежи снегоката. Они необходимы для правильного соединения таких узлов:
- Силовая установка (еще нужно подумать над местом крепления ведущего вала).
- Трансмиссия.
- Гусеничный механизм или лыжи.
При этом необязательно заниматься гусеничным механизмом снегохода самостоятельно. Можно воспользоваться готовым комплектом от «Бурана».

Какой двигатель подойдет для изготовления самоделки?
Прежде чем подготовиться к работе и начать сборку, важно выбрать силовой агрегат от бензопилы. Он должен соответствовать нескольким критериям:
Он должен соответствовать нескольким критериям:
- мощность и тяговые характеристики – самые главные параметры. Именно от мощности и тяговитости мотора бензопилы зависит скорость передвижения и грузоподъемность самоделки. К примеру, ДВС мощностью не более 2 л. с. сможет перевозить только одного взрослого человека и его небольшой багаж. С увеличением мощности используемых двигателей возрастут возможности снегоходов. При этом нужно помнить, что чем выше мощность силового агрегата, тем больше топлива ему потребуется для стабильной работы. Лучший вариант – использование моторов с номинальной мощностью от 3 до 6 л. с.;
- качество сборки – если конструктор желает, чтобы самоделка из бензопилы прослужила ему больше 1–2 сезонов, значит нужно выбирать моторы производителей. Именно поэтому чаще всего энтузиасты собирают снегоходы из бензопил брендов Stihl или Husqvarna;
- защита от пыли и влаги – в корпусе мотора должно быть минимум лишних отверстий. В противном случае в моторный отсек будет попадать снег и пыль, которые могут спровоцировать короткое замыкание в системе зажигания. Лучше всего, чтобы в корпусе мотора были только 2–3 отверстия, предназначенных исключительно для воздушного охлаждения.
Еще одно важное требование – двигатель от бензопилы должен быть в полностью исправном состоянии. Перед сборкой снегоката изготовителю потребуется очистить воздушный и топливный фильтра, а также произвести настройки карбюратора и выставить требуемый зазор в штатной системе зажигания бензопилы
Снегокат с мотором

Снегокат Аргомак с мотором от мотоблока
Снегокат с мотором своими руками
К сожалению, производство снегокатов с мотором в настоящее время не налажено. Вероятно, это связано с нерентабельностью данного вида «транспорта». Снегокат с мотором представляет собой обычный снегокат Энергомаш («Аргомак») или «Снежок» с присоединенным к нему электрическим приводом, приводящим объект в движение.

Самодельный снегокат с мотором
Безусловно, такая модель интересна не только ребенку, но и взрослому. Но, поскольку купить снегокат с мотором в обычном магазине невозможно, народные умельцы придумали, как создать такую машину своими руками.

Полученный снегокат с мотором — результат совмещения обычного снегоката с мотобордом. Напомним, что мотоборд — это доска, которая приводится в движение при помощи установленного на ней двигателя внутреннего сгорания. Его-то и используют в качестве мотора.
Данная модель снегоката выдерживает нагрузку около 100кг и развивает скорость до 20 км/ч при условии хорошо накатанной дорожки с утрамбованным снегом. Недостатком можно считать сложность продвижения по рыхлому снегу и слабый аккумулятор, которого хватает на 30-40 минут пользования.
Дополнительным достоинством такой «игрушки» является возможность разобрать ее при необходимости и использовать снегокат по прямому назначению. Что касается мотора, то ему также можно найти применение и в летнее время, соединив его с велосипедом.
Однако, смастерить подобную конструкцию под силу далеко не каждому. Так что, в качестве альтернативы, можно приобрести снегоход. Купить это транспортное средство можно у нас в Интернет магазине.

Снегоход для взрослых
Снегоход — машина для передвижения по снегу
Снегоход — отличное средство передвижения по заснеженному пространству. Используются снегоходы и спортсменами, и любителями зимних прогулок, и рыбаками. Модели снегоходов очень разнообразны, причем, чем меньше они весят, тем ниже у них грузоподъемности и мощность двигателя.
В нашем Интернет магазине Вы можете найти снегоход «Буран», снегоход Patron Snowfox 80, снегоход ABM Wind 4Т JS-150-G.
Насколько она должна быть исправной?
Наиболее ответственным элементом в данном аппарате является двигатель. Все остальные детали, такие как цепь или шина, не играют существенной роли при конструировании подобного транспортного средства, поэтому главное — уследить и проконтролировать работу мотора. Если он исправен, снегоход будет всегда на ходу. Если вы решили взять двигатель с импортных бензопил, можете не приобретать новый аппарат по гарантии в магазине. Вполне подойдет и б/у вариант.
Единственная деталь в бензопиле, которая тоже должна находиться в рабочем состоянии наряду с двигателем, это редуктор. Он тоже пригодится нам в работе.
Читать также: Как сделать горелку для газового горна





































